Le renouveau de Charly

Le Fablab a récupéré, à la suite d’un généreux don, une fraiseuse à commande numérique : une CharlyRobot 4U type 1.

Cette machine a été conçue à la fin des années 1990 et vendue à plusieurs milliers d’exemplaires dans le monde de l’éducation (collèges, lycées, …). La nôtre date de 2004.

C’est une machine particulièrement robuste et sécurisée. En revanche, elle marque clairement son âge en termes d’électronique de commande des moteurs pas à pas. La carte CRA2 :

Son interface RS232 n’est compatible qu’avec Windows 2000 et sa programmation se fait à travers le logiciel CharlyGRAAL … qui a pris quelques rides !!

Nous avons donc lancé une refonte complète de la chaine de commande de cette vénérable machine.

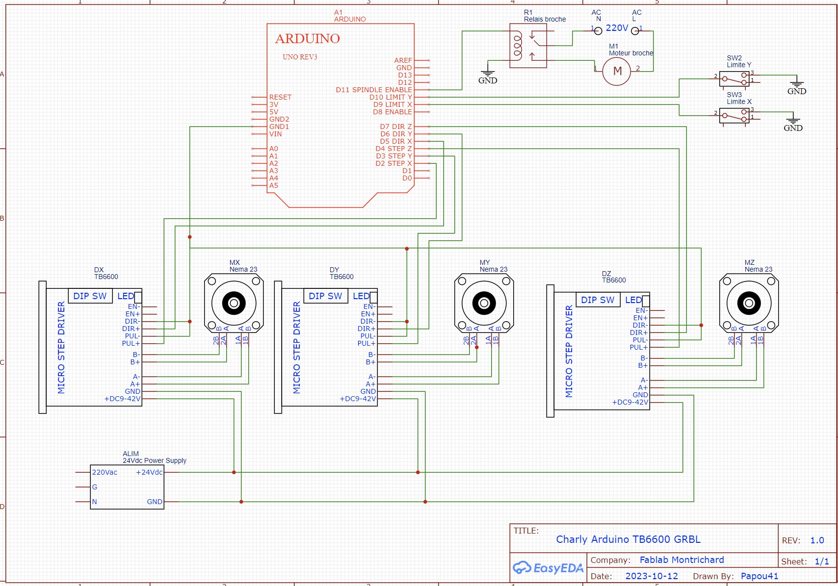
Après lecture de plusieurs expériences sur le WEB (merci), nous avons décidé de la passer sous Arduino UNO avec le firmware GRBL 1.1 + 3 driver TB6600. Voici le schéma :

La nouvelle électronique

Charly a retrouvé une nouvelle jeunesse et nous pouvons utiliser le module de fabrication de FUSION 360 pour calculer le parcours d'outils.
Pour envoyer le GCODE à la fraiseuse, nous utilisons CANDLE 1.1.
En action